
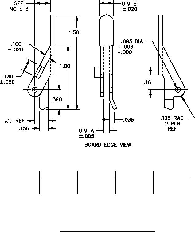
AA59832/8
Inches
mm
Inches
mm
Inches
mm
Inches
mm
Inches
mm
.003
0.08
.020
0.51
.093
2.36
.156
3.96
.360
9.14
.005
0.13
.035
0.89
.125
3.18
.16
4.06
1.00
25.4
.35
8.89
1.50
38.1
NOTES:
1. Dimensions are in inches. Millimeter equivalents are given for general information only.
2. Unless otherwise specified, tolerances are ±.02 inch (0.51 mm) for two place decimals and ±.010
inch (0.25 mm) for three place decimals.
3. Depth dimension is .29 inch (7.4 mm) for extractors from CAGE 61081 and CAGE 5GB68.
FIGURE 3. Configuration M dimensions (left hand with bent leg).
5
For Parts Inquires submit RFQ to Parts Hangar, Inc.
© Copyright 2015 Integrated Publishing, Inc.
A Service Disabled Veteran Owned Small Business